
product overview
The three-way pipe KF flange interface is a high-precision vacuum system connection component designed specifically for vacuum pipelines that require multi-channel branching. It adopts the KF (Klein Flansch, also known as NW or ISO flange) standard interface, combined with a three-way structure, which can simultaneously connect pipes or equipment in three directions. It is widely used in fields such as semiconductor manufacturing, laboratory instruments, vacuum coating, medical equipment and other high cleanliness requirements.
Core Features
Standardizes interfaces
Compliant with KF (ISO 2861/DIN 28404) international standards, with strong compatibility, it can quickly match with KF flanges, clamps, and sealing rings of the same specifications, ensuring system sealing and interchangeability.
Precision three-way splitter
The three-way structure provides flexible branch connection solutions, supports horizontal or vertical installation, and is suitable for complex pipeline layouts, reducing welding or additional adapter requirements.
Corrosion resistant material
Main material stainless steel (SUS 304): corrosion-resistant, high temperature resistant, suitable for harsh chemical environments.
express setup
Using KF clamp type connection, assembly or disassembly can be completed without complex tools, improving maintenance efficiency.
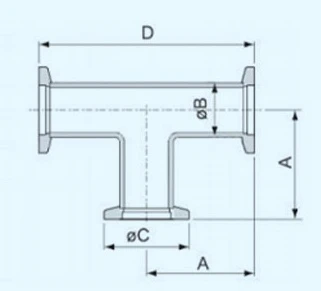
Technical Parameter
Applicable size: KF16、KF25、KF40、KF50。

| Model No. | Parts No. | Material | A | B | C | D | Available area |
| KF16TA | KF16301 | 304 S.S. | 38.3 | 19.05 | 30 | 76.6 | USA |
| KF25TA | KF25302 | 304 S.S. | 51.4 | 25.4 | 40 | 102.8 | USA |
| KF40TA | KF40303 | 304 S.S. | 61 | 38.1 | 55 | 122 | USA |
| KF50TA | KF50304 | 304 S.S. | 80 | 50.8 | 75 | 160 | USA |
| KF16TE | KF16305 | 304 S.S. | 40 | 19.05 | 30 | 80 | Europe |
| KF25TE | KF25306 | 304 S.S. | 50 | 25.4 | 40 | 100 | Europe |
| KF40TE | KF40307 | 304 S.S. | 65 | 38.1 | 55 | 130 | Europe |
| KF50TE | KF50308 | 304 S.S. | 70 | 50.8 | 75 | 140 | Europe |

